Class C Commutation
Class C Commutation
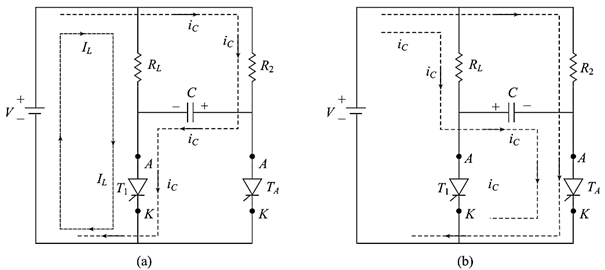
Figure 42 shows the class C commutation circuit which consists of two thyristors such as main thyristor T1 and auxiliary thyristor TA and a commutating capacitor. The load resistance RL is connected in series with main thyristor T1. This commutation technique is also known as complementary commutation as the commutation of main thyristor T1 occurs when the auxiliary thyristor TA is turned ON. This commutation process is also known as complementary impulse commutation.

Figure 42
MODE 1
Initially, both the thyristors T1 and TA are in OFF state and the voltage across capacitor is zero. The conditions of T1 and TA and capacitor may be represented by T1 is in OFF state, TA is OFF state and VC = 0.
MODE 2
When the triggering pulse is applied to main thyristor T1 at t = t1, thyristor T1 will be turned on and two currents namely load current IL and capacitor charging current iC flows through the circuit. The load current iL follows though the following path:
V+ – RL – T1 – V_ and the capacitor charging current flows through the path
V+ – R2 – C+ – C_ – T1 – V_
At steady state condition, capacitor is fully charged to the supply voltage V with the polarity as shown in Figure 42 and the conditions of T1 and TA and capacitor may be represented by T1 is in ON state, TA is OFF state and VC = V.

Figure 43
MODE 3
When a triggering pulse is applied to auxiliary thyristor TA at t = t2, thyristor TA will be turned on. As soon as thyristor TA is turned ON and starts conducting, a negative polarity voltage of the capacitor C is applied to cathode of thyristor T1 with respect to anode. Subsequently, thyristor T1 will be reverse biased and turned OFF immediately. Therefore, the commutation of main thyristor T1 is possible by turning on the auxiliary thyristor TA.
Then the capacitor C is charged through the load and its polarity becomes reverse. The charging path of capacitor is
V+ – RL – C+ – C_ – TA – V_
At the end of this mode of operation, the conditions of T1 and TA and capacitor may be represented by T1 is in OFF state, TA is ON state and VC = – V
MODE 4 Again thyristor T1 is triggered and turned ON at t = t2. Then auxiliary thyristor will be turned OFF immediately as reverse bias voltage is applied across TA and capacitor starts to charge in reverse direction. At the end of this mode of operation, the conditions of T1 and TA and capacitor may be represented by T1 is in ON state, TA is OFF state and VC = V
The voltage and current waveforms of class C commutation is shown in Figure 43. The class C commutation is very useful for operating frequency below 1 kHz.
More from "Power Electronics"
Class F Commutation
**Class F Commutation**
Class E commutation
**Class E commutation**
Class D Commutation
**Class D Commutation**
